• Zárak

  • Zárak
    Mindenféle zárak - pótalkatrészek
    Fülkeajtólap blokkoló egység
    kód jellemzők
    D534410 Fülkeajtólap blokkoló egység
    Hasznos felvonó modernizációk során, amikor ajtóelőnyítást szeretnénk megvalósítani VVVF hajtásnál, még mielőtt a fülke megérkezne a szintre.
    betáp: 48 - 90 Vdc - Max. áramfelvétel: 1,2 A - Tartási áram: 0,20 A
    elektromos bekötés: párhuzamosan a zárnyitó mágnessel (csikóval)
    Egy piros LED jelzi a fülkeajtó blokkolását.
    2 beep jelzés és a piros LED kialvása szinbte érkezéskor.
    Vészhelyzet esetén a 2 csapocska kézzel felnyomható.
    méret: 125 hosszú x 105 magas x 40 mély
    Comfort-Lift

    kód jellemzők
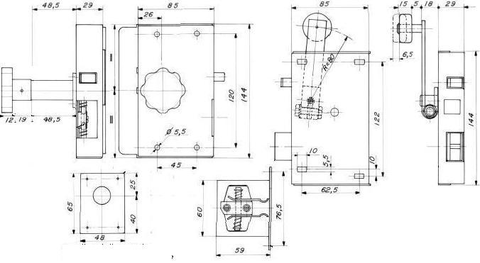
    D531760 kézi ajtó zár króm fogantyúval - Perfecta
    D531770 félautomata ajtó zár - Perfecta
    Comfort-Lift

    Mindenféle zárak - pótalkatrészek
    kód jellemzők kép
    D531809 ajtóérintkező rövidzár - Schindler
    D531810 "balos" érintkezők zárhoz - Schindler
    D531811 "jobbos" érintkezők zárhoz - Schindler
    D720910 rugó 7,5x40 mm. - Insubria zár
    D530850 kar d. 42 görgővel - Kronenberg
    Comfort-Lift
    A változtatás jogát fenntartjuk.