• Sebesség határolók

  • Sebesség határolók
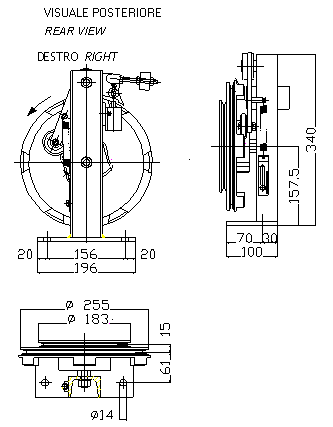
    Sebesség határolók - R3

    kód tárcsa átm. (D) mm kötél D. mm névl.seb. max m/s működési seb. m/s irány
    D240030 250 6-8 1,24 0,48-1,43 jobbos
    D240030/082 250 6-8 0,60-0,66 0,82 jobbos
    D240030/092 250 6-8 0,67-0,72 0,92 jobbos
    D240030/100 250 6-8 0,73-0,80 1,00 jobbos
    D240040 250 6-8 1,24 0,48-1,43 balos
    D240040/082 250 6-8 0,60-0,66 0,82 balos
    D240040/092 250 6-8 0,67-0,72 0,92 balos
    D240040/100 250 6-8 0,73-0,80 1,00 balos
    95/16 CE tanúsítással, érintkezővel, próbatárcsával.
    Jobbos, vagy balos forgási irány.
    Megrendelésre különböző sebességű sebességhatárolók.
    Comfort-Lift

    R3 sebesség határolók
    kód jellemzők kép
    D240460 d.52 görgő csavarral (R3 sebesség határolóhoz alkalmazható)
    D240461 d.52 görgő csavarral (R5 sebesség határolóhoz alkalmazható)
    D240462 d.52 görgő csavarral (R6 sebesség határolóhoz alkalmazható)
    Comfort-Lift
    A változtatás jogát fenntartjuk.